搜索
注册 部门街镇 繁体版 无障碍 关怀版 智能问答

网站支持IPV6
搜索
区应急局>政务公开>法定主动公开内容>预算/决算>财政决算
  • [ 索引号 ]
  • 115001087428546621/2025-00057
  • [ 发文字号 ]
  • [ 主题分类 ]
  • 财政
  • [ 体裁分类 ]
  • 财政预算、决算
  • [ 发布机构 ]
  • 南岸区应急局
  • [ 有效性 ]
  • [ 成文日期 ]
  • 2025-10-27
  • [ 发布日期 ]
  • 2025-10-27
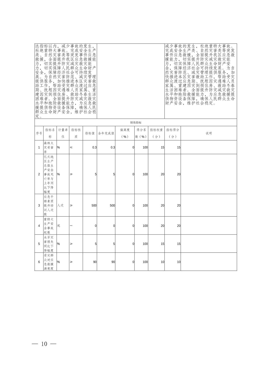
重庆市南岸区应急管理局2024年决算公开报告及公开报表
日期:2025-10-27 16:03
语音播报
语音合成中,请耐心等待...
进入播报模式
语音播报
退出播报模式
日期:2025-10-27 16:03
字号:
分享:


扫一扫在手机打开当前页

版权所有:重庆市南岸区人民政府 主办:重庆市南岸区人民政府办公室

ICP备案:渝ICP备2021011583号 政府网站标识码:5001080014 渝公网安备:50010802001142号

智能问答

便民地图

政策问答

数据开放

新媒体
矩阵

营商环境

全景政务通