搜索
注册 部门街镇 繁体版 无障碍 关怀版 智能问答

网站支持IPV6
搜索
首页>政务公开>法定主动公开内容>预算/决算>部门财政决算>区政协办公室
  • [ 索引号 ]
  • 11500108009295693H/2024-00148
  • [ 发文字号 ]
  • [ 主题分类 ]
  • 财政、金融、审计
  • [ 体裁分类 ]
  • 财政
  • [ 发布机构 ]
  • 南岸区财政局
  • [ 有效性 ]
  • [ 成文日期 ]
  • 2024-10-25
  • [ 发布日期 ]
  • 2024-10-25
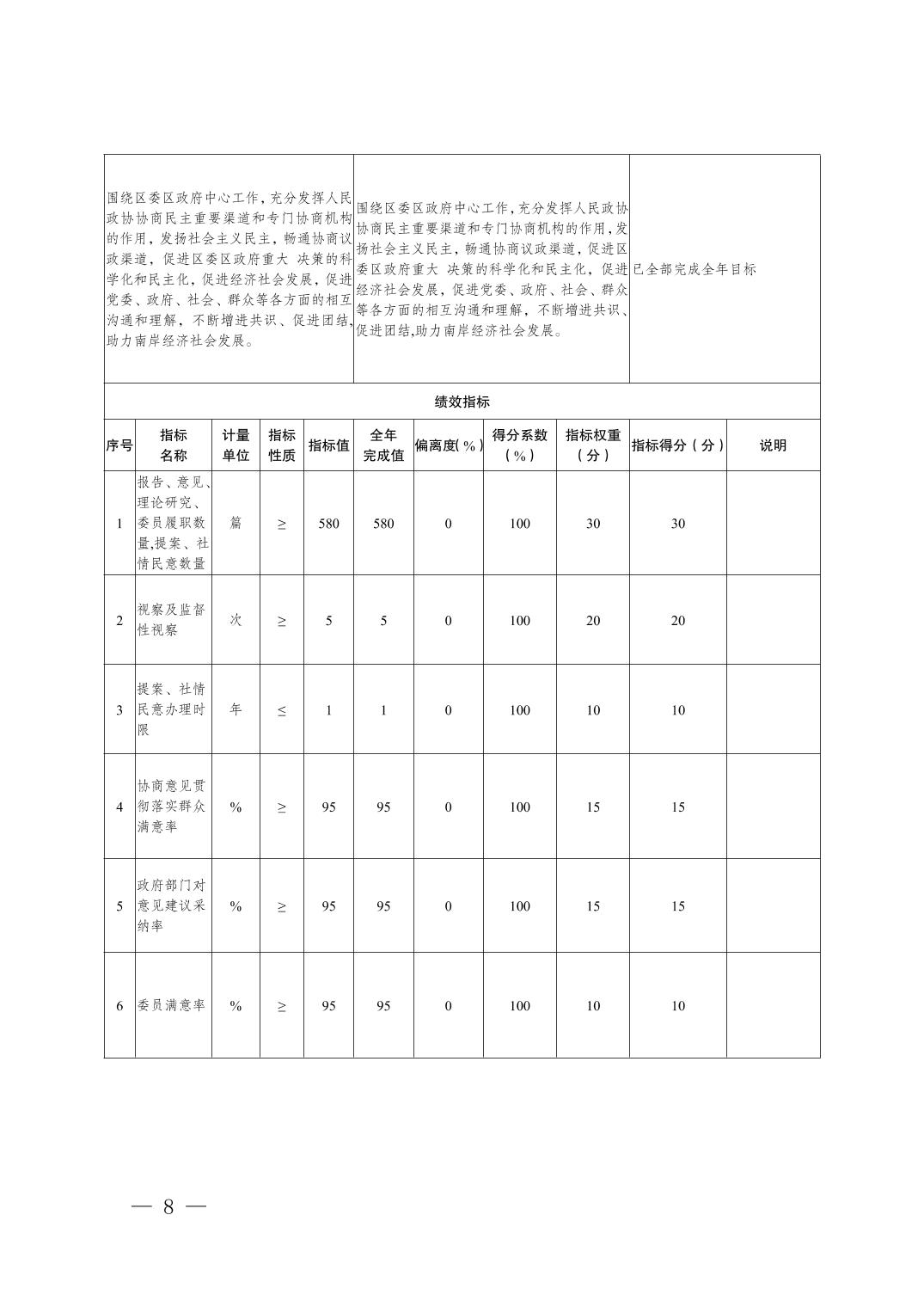
中国人民政治协商会议重庆市南岸区委员会办公室 2023 年度决算公开说明
日期:2024-10-25 16:01
语音播报
语音合成中,请耐心等待...
进入播报模式
语音播报
退出播报模式
日期:2024-10-25 16:01
字号:
分享:


扫一扫在手机打开当前页

版权所有:重庆市南岸区人民政府 主办:重庆市南岸区人民政府办公室

ICP备案:渝ICP备2021011583号 政府网站标识码:5001080014 渝公网安备:50010802001142号

智能问答

便民地图

政策问答

数据开放

新媒体
矩阵

营商环境

全景政务通